工业级 3A、5.5V、1.2MHz、40μA IQ、COT 同步降压变换器,符合 AEC-Q100 认证

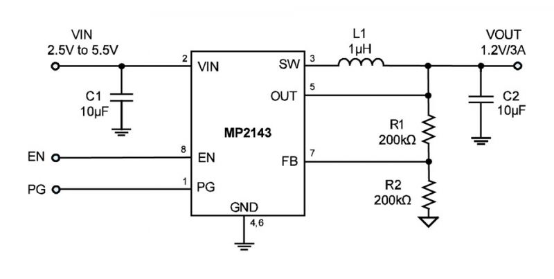
MPQ2143 是一款集成内部功率 MOSFET 的单片降压开关变换器。在 2.5V 至 5.5V 的输入电压范围内,可实现 3A 的连续输出电流,且具有极好的负载和线性调整率。输出电压可调节低至 0.6V。
恒定导通时间控制模式提供了快速瞬态响应,并使环路更易稳定。故障保护包括逐周期限流保护和过温关断保护。
MPQ2143 采用小型 TSOT23-8 封装,最大限度地减少了现有标准外部元器件的使用数量。
MPQ2143 适用范围广泛,包括高性能 DSP、FPGA、智能手机、便携式仪表和 DVD 驱动器。

深圳市宇芯半导体有限公司
电话:0755-33561021 传真:0755-85298357
联系人:刘先生 手机:13631567214 QQ:753172381
首页 产品中心 代理品牌 IC学院 IC资讯 应用方案 常见问题 了解宇芯 企业新闻 企业招聘 联系我们
Copyright © 2005-2022 All rights reserved 深圳市宇芯半导体有限公司 粤ICP备2022054100号统计工具
地址:深圳市宝安区西乡街道渔业社区轻铁东五巷5号二单元5D电话:13631567214
传真:0755-85298357邮箱:753172381@qq.com技术支持:深圳市宇芯半导体有限公司
深圳最专业的IC代理商,IC供应商,慧能泰代理商,芯朋微代理商,江智代理商,3PEAK代理商,Spansion代理商,Winbond代理商.你身边最优秀的IC供应商合作伙伴
宇芯半导体官方微信
扫一扫立即加关注