当前位置:主页 > IC资讯 >

TP4333 TPOWER芯片•宇芯半导体-充放1A双灯高端移

来源:未知 时间:2022-05-08 00:52 发布人:admin 阅读:

 TP4333TPOWER芯片·宇芯半导体全新推出的同步充放1A双灯显低成本同步升压五合一芯片,支持充电电流1A , 放电电流1A。双灯显的低成本移动电源终极解决方案.

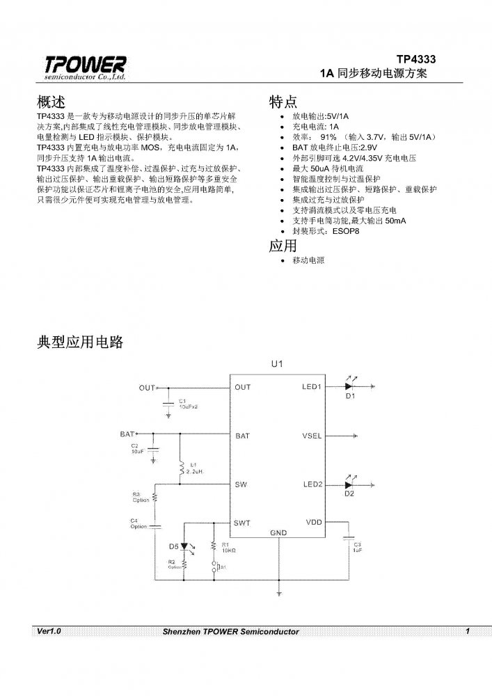
TP4333是一款专为移动电话设计的同步升压的单芯片解决方案,内部集成了线性充电管理模块,同步放电管理模块,电量检测与LED指示模块,保护模块.

TP4333内置充电与放电功率MOS,充电电流固定为0.8A,同步升压支持1A输出电流.

TP4333内部集成了温度补偿,过温保护,过充与过放保护,输出过压保护,输出重载保护,输出短路保护等多重安全保护功能以保证芯片和锂离子电池的安全,

应用电路简单,只需很少元件便可实现充电管理与放电管理.

 

特点:

放电输出:5V/1A

充电电流:0.8A

1A输出放电效率高达90%

BAT放电终止电压:2.85V

可选4.2V/4.35V充电电压

智能温度控制与过温保护

集成输出过压保护,短路保护,重载保护

集成过充与过放保护

支持涓流模式以及零电压充电

支持手电筒输出

 

封装形式:ESOP8

 

应用:

移动电源

圳市宇芯半导体有限公司

电话:0755-33561021  传真:0755-85298357

联系人:刘先生 手机:13631567214     QQ:753172381

 

相关文章

Copyright © 2005-2022 All rights reserved 深圳市宇芯半导体有限公司 粤ICP备2022054100号统计工具

地址:深圳市宝安区西乡街道渔业社区轻铁东五巷5号二单元5D电话:13631567214

传真:0755-85298357邮箱:753172381@qq.com技术支持:深圳市宇芯半导体有限公司

深圳最专业的IC代理商,IC供应商,慧能泰代理商,芯朋微代理商,江智代理商,3PEAK代理商,Spansion代理商,Winbond代理商.你身边最优秀的IC供应商合作伙伴

宇芯半导体官方微信

宇芯半导体官方微信 扫一扫立即加关注
点击这里给我发消息 销售一部
点击这里给我发消息 销售二部
点击这里给我发消息 销售三部
点击这里给我发消息 技术支持