DK5V45R10同步二极管芯片
功能描述:
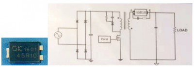
DK5V45R10 是同步二极管芯片。芯片内部集成了 45V 功率 NMOS 管,可以大幅降低二极管导通损耗,提高整机效率,取代或替代目前市场上等规的肖特基整流二极管。
产品特点:
1. 支持 DCM 和 QR 模式反激系统。
2. 内置 10mΩ 45V 功率 NMOS 管。
3. 特有的自供电技术,无需外部供电电源。
4. 自检测开通关断,无需外部同步信号。
5. 可直接替换肖特基管,对 EMC/I 有适当改善。
应用领域:
反激电源转换器
反激电源适配器
想要了解更多资讯请随时联系我们
深圳市宇芯半导体有限公司
电话:136031567214 传真:0755-85298357
QQ: 753172381 邮箱:yuxinchip@163.com
网址:www.yuxinchip.com
首页 产品中心 代理品牌 IC学院 IC资讯 应用方案 常见问题 了解宇芯 企业新闻 企业招聘 联系我们
Copyright © 2005-2022 All rights reserved 深圳市宇芯半导体有限公司 粤ICP备2022054100号统计工具
地址:深圳市宝安区西乡街道渔业社区轻铁东五巷5号二单元5D电话:13631567214
传真:0755-85298357邮箱:753172381@qq.com技术支持:深圳市宇芯半导体有限公司
深圳最专业的IC代理商,IC供应商,慧能泰代理商,芯朋微代理商,江智代理商,3PEAK代理商,Spansion代理商,Winbond代理商.你身边最优秀的IC供应商合作伙伴
宇芯半导体官方微信
扫一扫立即加关注