当前位置:主页 > IC资讯 >

DK5V45R10同步二极管芯片|东科代理商

来源:未知 时间:2023-05-19 16:35 发布人:admin 阅读:

 

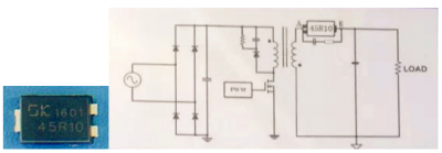
DK5V45R10同步二极管芯片

 

功能描述:

DK5V45R10 是同步二极管芯片。芯片内部集成了 45V 功率 NMOS 管,可以大幅降低二极管导通损耗,提高整机效率,取代或替代目前市场上等规的肖特基整流二极管。 

产品特点:

1. 支持 DCM 和 QR 模式反激系统

2. 内置 10mΩ 45V 功率 NMOS 

3. 特有的自供电技术,无需外部供电电源

4. 自检测开通关断,无需外部同步信号

5. 可直接替换肖特基管,对 EMC/I 有适当改善

应用领域: 

反激电源转换器

反激电源适配器

 

 

DK5V45R10

想要了解更多资讯请随时联系我们

深圳市宇芯半导体有限公司

电话:136031567214 传真:0755-85298357

QQ: 753172381 邮箱:yuxinchip@163.com

网址:www.yuxinchip.com

相关文章

Copyright © 2005-2022 All rights reserved 深圳市宇芯半导体有限公司 粤ICP备2022054100号统计工具

地址:深圳市宝安区西乡街道渔业社区轻铁东五巷5号二单元5D电话:13631567214

传真:0755-85298357邮箱:753172381@qq.com技术支持:深圳市宇芯半导体有限公司

深圳最专业的IC代理商,IC供应商,慧能泰代理商,芯朋微代理商,江智代理商,3PEAK代理商,Spansion代理商,Winbond代理商.你身边最优秀的IC供应商合作伙伴

宇芯半导体官方微信

宇芯半导体官方微信 扫一扫立即加关注
点击这里给我发消息 销售一部
点击这里给我发消息 销售二部
点击这里给我发消息 销售三部
点击这里给我发消息 技术支持